风力最大时高杆灯地脚螺栓的拉力承受是多少
高杆灯底座紧固地脚螺栓对风荷载的耐荷载时的耐荷载计算通常是在提出虚拟地脚螺栓的允许直径后,用该螺栓不控制作用力就能承受的静荷载时的轴向拉伸力进行计算。 在这里,首先必须以高杆灯所在地区可能受到的最大风荷载为基准进行计算。
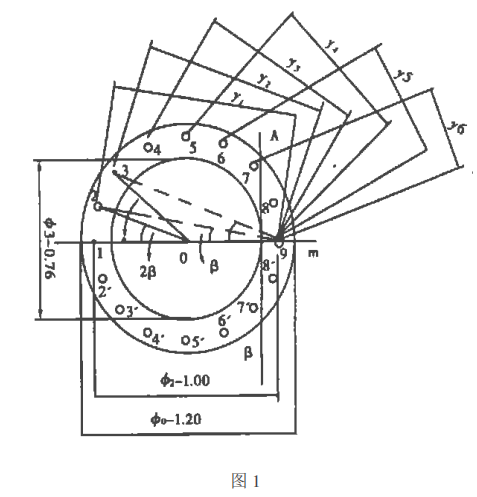
拉伸力计算最大风荷载是指在某个地理区域安装高杆灯时,该区域50年一次的最大风速下高杆灯受到的风荷载,本文计算中630.6 kNm的风荷载力矩是50年一次的最大风速为36 m s。 例如,通过计算可知,某个高杆灯可能受到的最大风荷载为630.6 kNm,选择的基座紧固地脚螺栓的设计状况如下:假设高杆灯的基座,圆环状底板的最大外径为0。 底板上均匀分布着16个螺栓孔,孔径为1,螺栓孔中心的分布圆直径为2 =1 .00 m。 高杆灯根部的钢管外径为3 =0 .76 m。 埋入的16根紧固地脚螺栓的分布状况必须与高杆灯杆根部的圆环状底板的螺栓孔的中心相对应。 在杆的外侧,在两个螺纹孔的中间设有焊接连接的支撑板,提高杆的根部和底板的连接强度,提高高杆灯的稳定性。 埋入螺栓的分布和高杆灯受到风荷载时螺栓拉力的手臂状况如图1所示。

图1中: 16个螺栓均匀分布,相邻的2个螺栓中心成对的中心角为2β。 2β=360°/16=22°30 ',且2 =1 .00 m 3 =0 .76 m,y0 =2=1. 00 m y2 =1. 00×cos 22°30 ' =0. 9239 m; y3=1.00×cos38°45'=0.7853m; y4 =1 .00 ×cos45°=0 .7070 m;
y5=1.00×sin38°45'=0.6259m; y6=1.00×sin22°30'=0.3827m。 高杆灯因最大风荷载而受到nF,对杆根来说最大风荷载力矩∑系∑M1 =630 .6 kNm。 为了保持超车灯整体的平衡(而且依然有折断的倾向)。 杆的根部一定会产生阻力矩σm2,而且大小为σm2≧σm1。 另外,从力学平衡方程式∑F =0σm=0可知,此时整体高杆灯受到的风荷载作用力nF、底板紧固螺栓的拉伸力σn、高杆灯的重力G0、基础的支撑力q等作用力的合力σf=0。 另外一方面,底板紧固螺栓能够产生拉伸力的分别是螺栓1-7和2'-7 '共计13头,它们分别产生的拉伸力为Nmax、N2、N3 …N7和n'2、n'3…n'7(参照图2 ),这些拉伸力为高 对作为保持整体相对平衡时的有效接触面的弓形AmB的有效支点螺栓9 (参照图1 )来说,分别是y 0、y 1 ……y 6和y'1、y'2…y'6。

∑M2 = ∑M1时,Nmax =∑M1 ∑y; 另外σy = y0 +2( y1 + y2 +…+ y6 ) = 1.00 +2( 0.9812 + 0.9239 + 0.7853 + 0.7 )max =630 .6 kNm 9 .8120 m =64 .27 kN,即螺栓可能受到的最大轴向拉伸力64 .27 kN。 3埋入螺栓的选定高杆灯埋入螺栓的选定需要考虑螺栓的有效截面积、螺栓的钢材形式、螺栓的作用力。 所选地脚螺栓的外径尺寸和制作的钢材型号如表1所示。 根据表1,该高杆灯应该选择的地脚螺栓是M30外径,钢材的型号可以选择35,320型或者45,360型即可。 ( Qp >N max )
4结语高杆灯受到风荷载时,除非最大风荷载值发生变化(最大风速不变)。 即使风向改变,承受最大轴向拉力的螺栓也只是从原来的一根变成了其中一个。
上一条: 安装led路灯后,如何对其进行保养
下一条: 如何应对高杆灯的氧化现象


苏公网安备32108402000666号 