40米高杆灯风载荷的设计计算与校核
赢咖7极悦摘 要: 高杆灯照明范围较大,功能性强,使用便利,在广场、体育馆、立交桥、机场及港口码头等都有广泛的应用,高杆灯的安全性包括刚度、稳定性、经济性等多方面,其中强度计算与校验是最重要的因素,实际应用当中发现,风载荷是影响高杆灯强度的最大的、也是最关键的因素。本文以 40 米高杆灯为实例,介绍了设计要求,进行了高杆灯风载荷的设计计算与校核,计算结果表明高杆灯的强度符合要求。
关键词: 安全性; 风载荷; 强度计算; 高杆灯
引言:高杆灯是指灯杆高度等于或大于 20m,作为城市道路和公路、广场、体育场、机场、港口码头等大面积照明的高杆照明设施。高杆灯属于高耸结构,因此,高杆灯的载荷设计就要符合高耸结构的载荷设计要求。高耸结构上的载荷可分为下列三类。
赢咖7极悦( 1) 永久载荷: 结构自重、固定的设备重、物料重、土重、土压力、线的拉力等。
( 2) 可变载荷: 风载荷、裹冰载荷、常见地震作用、雪载荷、安装检修载荷、塔楼楼面或平台的活载荷、温度变化、地基沉陷等。
( 3) 偶然载荷: 导线断裂、索线断线,撞击、爆炸、罕遇地震作用等。雪荷载为施加在建筑屋面或其他结构外露面上的积雪重量。雪荷载值 S 由地面积雪重量即基本雪压 So 乘以屋面积雪分布系数 μr 确定:
S = μrSo[3]
赢咖7极悦基本雪压一般参照规范或者当地气象记录资料。规范给出我国部分大中城市地区 10 年、50 年、100年基本雪压。一般结构取 50 年基本雪压,临时性建筑、仓储、不重要构筑物等,可按 10 年、30 年取值,或适当调整。影响结构雪载荷大小的主要因素是当地的地面积雪自重和结构件上的积雪分布,他们直接关系到雪载荷的取值和结构安全。裹冰荷载指包围在塔架杆件、缆索、电线表面上的结冰重量。在冬季或早春季节,处于特定气候条件下,在一些地区由冻雨、冻毛雨、气温低于 0℃的雾、云或溶雪冻结形成,其值可根据裹冰厚度和裹冰容重确定。
裹冰荷载对于如输电塔架、线路等结构往往是一种重要荷载。由于裹冰增大了杆件、缆索的截面,或封闭了某些格构的空隙,不但使结构或构件的重量增大,而且由于结构挡风面积增大,显著地加大了风荷载,使结构受力更为不利。地震载荷对高耸结构的破坏是非常严重的,而且该破坏往往还隐藏着潜在危险。
地震理论主要包括以下三个。
( 1) 静力理论。该理论不考虑建筑物的动力特性,假设结构物为绝对刚性,地震时建筑物运动与地面运动绝对一致,建筑物的最大加速度等于地面运动的最大加速度,建筑物所受的最大载荷等于其质量与地面最大加速度的乘积。该理论只适用于低矮的,刚性较大的建筑物。
( 2) 反应谱理论。它既考虑了地震时地面的动力特性,也考虑了结构自身的动力特性,是当前工程设计应用最为广泛的地震设计方法之一。反应谱理论是以单质点体系在实际地震作用下的反应为基础来分析结构反应的方法。抗震设计中通常只需地震作用下的最大载荷值,其值为:
F = mamax = w ( g ) amax [3]式中,w 为质点质量,称为水平地震影响因素。
( 3) 直接动力分析理论。反应谱在分析大跨度的柔性结构时,由于非线性因素的影响,反应谱方法的计算误差较大。直接动力分析理论可以克服反应谱理论的缺点。可直接获得地震过程中结构节点各时刻位移,速度,加速度,从而计算各时刻竖向
地震作用和构件的地震内力,这些理论称为直接动力分析理论。
温度作用应考虑气温变化、太阳辐射及使用热源等因素。作用在结构或构件上的温度作用应采用其温度的变化来表示。计算结构或构件的温度作用效应时,应采用材料的线性热膨胀系数。对于大型或超大型,由不同材料部件组成的结构件,应同时考虑不同部件材料之间的温度作用和整个结构件温度场的变化。
作为结构可变载荷之一,温度作用应根据结构施工和使用期间可能同时出现的情况考虑其与其他
可变载荷的组合。
赢咖7极悦由于在实际应用当中发现,风载荷是影响高杆灯强度的最大的也是最关键的因素,因此,我们就以 40m 高杆灯为例,对高杆灯进行风载荷的设计计算。
1 设计要求
赢咖7极悦高杆灯的总体情况如下: 灯盘为正六边形,灯盘的最大对边距 ( 加灯具) D = 4170mm,最大高度H = 473mm。灯盘上安装 18 台 1000W 的某公司生产的 NESO 4 高压钠灯具,灯具重量为 34kg,灯盘重量为 400kg,见图 1。

整体灯杆为正 12 边形,分为四节,长度分别为10222mm、10500mm、9500mm、9500mm。暂 设 灯杆材 质 为 Q345,壁 厚 分 别 为 6mm、8mm、8mm、10mm。灯杆顶部口径为边对边 320mm,灯杆底部口径为边对边 745mm。灯杆法兰厚度为 30mm,其中内孔圆直径为 771mm,法兰外径为 1070mm,法兰盘上均匀地分布 12 个直径为 56mm 的地脚螺栓孔,孔中心的分布圆直径为 870mm。

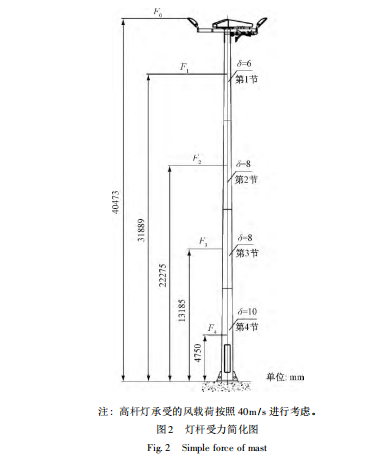
赢咖7极悦2 高杆灯风载荷计算高杆灯的风载荷在各个不同高度处均不同,因此,为了简便起见,我们可以将高杆灯的每一节视
为一个质量单元,共分为五个质量单元。对这些质量单元进行风载荷的计算 ( 即 计 算 F0、F1、F2、
F3、F4 ) ,就可以近似得到整个高杆灯的风载荷。126 照明工程学报 2014 年 10 月
赢咖7极悦注: 高杆灯承受的风载荷按照 40m / s 进行考虑。

图 3 高杆灯尺寸图
Fig. 3 Dimemtions of mast作用在高杆灯上单位面积上的风载荷应按照下式计算:
赢咖7极悦ωh = βzμsμzμrωo[2] ( 1)
赢咖7极悦式中,ωh 为用在高杆灯单位面积上的风载荷 ( 单位: kN /m2) ; ωo 为基本风压 ( 单位: kN /m2) ; μr为重现期调整系数,对一般高耸结构可采用 1. 1,对重要高耸结构可采用 1. 2; μz 为 z 高度处的风压高度变化系数; μs 为风载荷体型系数,对高杆灯选取 0. 7; βz 为 z 高度处的风振系数。
2. 1 基本风压 ωo
赢咖7极悦基本风压的计算公式为:ωo = V201600[1]
赢咖7极悦( 2)式中,V0 为设计风速 ( 单位: m / s) 。将已知风速 40 米/秒代入上式,计算得出基本风压为 ωo = 1 kN /m2。
2. 2 不同高度处的风压高度变化系数见表 1
表 1 风压高度变化系数 μz
赢咖7极悦Table 1 Height variation factor of wind pressure μz离地面或海面高度/m地面粗糙度类别
A B C
5 1. 17 0. 80 0. 54
赢咖7极悦10 1. 38 1. 00 0. 71
赢咖7极悦15 1. 52 1. 14 0. 84
20 1. 63 2. 25 0. 94
30 1. 80 1. 42 1. 11
赢咖7极悦40 1. 92 1. 56 1. 24
50 2. 03 1. 67 1. 36
60 2. 12 1. 77 1. 46
2. 3 风振系数
赢咖7极悦由于大于 30 米高度的建筑物属于高层建筑,而同一高层建筑的不同层次的风振系数不同。自立式高耸结构在 Z 高度处的风振系数 βz 可按下式
确定:βz = 1 + ξε1ε2[1] ( 3)
赢咖7极悦式中,ξ 为脉动增大系数; ε1 为风压脉动和风压高度变化影响系数; ε2 为振动、结构外形影响系数。
赢咖7极悦ξ、ε1 ε2 的选取参见表 2 ~ 表 4。
赢咖7极悦将上述表中的风振系数代入式 ( 3) ,分别计算出 5 个质量单元 F0、F1、F2、F3、F4 处的风振系数为:
表 2 脉动增大系数

结构类别钢结构 钢筋混凝土结构
0. 01 1. 47 1. 11
0. 05 1. 73 1. 18
赢咖7极悦0. 10 1. 88 1. 23
赢咖7极悦0. 20 2. 04 1. 28
0. 40 2. 24 1. 34
赢咖7极悦0. 60 2. 36 1. 38
0. 80 2. 46 1. 42
1. 00 2. 53 1. 44
2. 00 2. 80 1. 54
4. 00 3. 09 1. 65
6. 00 3. 28 1. 72
赢咖7极悦8. 00 3. 42 1. 77
10. 00 3. 54 1. 82
20. 00 3. 91 1. 96
赢咖7极悦30. 00 4. 14 2. 06
赢咖7极悦注: 对于 H≥200m 的钢筋混凝土筒体,上表脉动增大系数值 ξ可乘以 1. 1 采用。
赢咖7极悦表 3 风压脉动和风压高度变化等的影响系数 ε1
赢咖7极悦Table 3 Influence coefficient of wind pressure pulsationand wind pressure height variation ε1
总高度 H/m 地面粗糙度类别
A B C
10 0. 57 0. 72 0. 93
赢咖7极悦20 0. 51 0. 63 0. 79
赢咖7极悦40 0. 45 0. 55 0. 69
60 0. 42 0. 50 0. 59
赢咖7极悦80 0. 39 0. 45 0. 54
赢咖7极悦100 0. 37 0. 43 0. 50
150 0. 33 0. 37 0. 43
200 0. 30 0. 34 0. 38
赢咖7极悦250 0. 27 0. 31 0. 34
300 0. 25 0. 28 0. 29
表 4 振型、结构外形的影响系数 ε2
Table 4 Influence factor for mode,structure and shape ε2
相对高度 h /H结构顶部和底部的宽度比
1. 0 0. 5 0. 3 0. 2 0. 1
1. 0 1. 00 0. 88 0. 76 0. 66 0. 56
0. 9 0. 89 0. 83 0. 73( 0. 79) 0. 65( 0. 76) 0. 57( 0. 84)
0. 8 0. 78 0. 76 0. 67( 0. 77) 0. 61( 0. 78) 0. 57( 0. 96)
赢咖7极悦0. 7 0. 66 0. 66 0. 60( 0. 70) 0. 55( 0. 73) 0. 54( 0. 94)
赢咖7极悦0. 6 0. 54 0. 56 0. 51( 0. 60) 0. 48( 0. 64) 0. 49( 0. 84)
0. 5 0. 42 0. 44 0. 41( 0. 48) 0. 40( 0. 58) 0. 42( 0. 69)
0. 4 0. 31 0. 32 0. 31( 0. 35) 0. 30( 0. 38) 0. 34( 0. 52)
0. 3 0. 20 0. 22 0. 22 0. 21( 0. 25) 0. 27( 0. 38)
0. 2 0. 11 0. 11 0. 12 0. 13 0. 15( 0. 19)
0. 1 0. 04 0. 04 0. 04 0. 05 0. 06
注: 表中括号处,括号内的数值适用于直线变化的结构; 括
号外的数值适用于凹陷形变化的结构。其余无括号的数值则二者
均适用。
赢咖7极悦βz0 = 1 + ξε1ε2 = 1 + 2. 53 × 0. 45 × 0. 88 = 2
βz1 = 1 + ξε1ε2 = 1 + 2. 53 × 0. 45 × 0. 76 = 1. 89
βz2 = 1 + ξε1ε2 = 1 + 2. 53 × 0. 45 × 0. 56 = 1. 64
赢咖7极悦βz3 = 1 + ξε1ε2 = 1 + 2. 53 × 0. 45 × 0. 32 = 1. 36
赢咖7极悦βz4 = 1 + ξε1ε2 = 1 + 2. 53 × 0. 45 × 0. 04 = 1. 05
2. 4 各质量单元的单位面积风载荷
将基本风压、重现期 调 整 系 数、不 同 高 度 处
赢咖7极悦的风压高度变化系数、风载荷体型系数及不同高
度处的风振系数分别代入式 ( 1) ,即可计算出各
赢咖7极悦质量单元的单位面积风载荷分别为:
ωh0 = βz0μsμz0μrωo = 2 × 0. 7 × 1. 92 × 1. 2 × 1
赢咖7极悦= 3. 23 ( kN /m2)
ωh1 = βz1μsμz1μrωo = 1. 89 × 0. 7 × 1. 80 × 1. 2 × 1
= 2. 86 ( kN /m2)
赢咖7极悦ωh2 = βz2μsμz2μrωo = 1. 64 × 0. 7 × 1. 63 × 1. 2 × 1
= 2. 25 ( kN /m2)
ωh3 = βz3μsμz3μrωo = 1. 36 × 0. 7 × 1. 52 × 1. 2 × 1
赢咖7极悦= 1. 74 ( kN /m2)
ωh4 = βz4μsμz4μrωo = 1. 05 × 0. 7 × 1. 17 × 1. 2 × 1
= 1. 03 ( kN /m2)
2. 5 各质量单元的风载荷作用力 F
各质量单元的风载荷作用力为质量单元的单
赢咖7极悦位面积风载荷乘以质量单元面积,见下式:
F = ωhi × Si
[1] ( 4)
式中,Si 为迎风面积。
赢咖7极悦F0 = ωh0 × S0 = 3. 23 × 4. 17 × 0. 473 × 0. 8
= 6. 37 ( kN)
注: 因灯盘装的灯具 比 较 多,可 考 虑 灯 盘 的
赢咖7极悦漏空系数为 0. 2,所以实际受风面积为最大受风面
积的 0. 8 倍。
F1 = ωh1 × S1 = 2. 86 × 10. 222 = 11. 14 ( kN)
F2 = ωh2 × S2 = 2. 25 × 9. 753 = 10. 81 ( kN)
F3 = ωh3 × S3 = 1. 74 × 8. 59 = 8. 86 ( kN)
赢咖7极悦F4 = ωh4 × S4 = 1. 03 × 8. 435 = 6. 03 ( kN)
2. 6 高杆灯各段根部所受的弯矩 M
M1 = F0 ( 0. 473 + 10. 222) + F1 (
10. 2222 )
赢咖7极悦= 68. 11 + 56. 94 = 125. 05 ( kNm)
M2 = F0 ( 0. 473 + 10. 222 + 10. 5 - 0. 747) + F1
(10. 2222 + 10. 5 - 0. 747) + F210. 52= 130. 25 + 165. 58 + 56. 75 = 352. 58 ( kNm)
128 照明工程学报 2014 年 10 月
赢咖7极悦M3 = F0 ( 40. 473 - 9. 5
+ 1. 065) + F1 ( 31. 889 - 9. 5 + 1. 065)
+ F2 ( 13. 185 - 9. 5 + 1. 065) + F3
9. 5 ( 2 )= 204. 08 + 261. 27 + 51. 34 + 42. 09= 558. 78 ( kNm)
M4 = F0 ( 40. 473) + F1 ( 31. 889)+ F2 ( 22. 275) + F3 ( 13. 185)
赢咖7极悦+ F4 ( 4. 75) = 257. 81 + 355. 24 + 240. 79+ 116. 82 + 28. 64 = 999. 3 ( kNm)
2. 7 灯杆各段根部处的应力计算
赢咖7极悦各段根部处的应力计算公式为:
Fg = MWg
Wg = π( D4 - d4)32D
式中: Fg 为灯杆各段根部处的应力; M 为灯杆各段根
赢咖7极悦部处的弯矩; Wg 为灯杆各段根部处的抗弯截面系数
赢咖7极悦( 此处为了简化计算,将高杆灯截面按照圆形进行简
化) ; D 为各段根部处的灯杆外径 ( 取对边距) ; d 为
各段根部处的灯杆外径 ( 取对边距减去壁厚) 。
Wg1 = π( 0. 4424 - 0. 4304)32 × 0. 442 = 0. 88 × 10 - 3 ( m3)
Fg1 = M1Wg1= 125. 05 × 103
0. 88 × 10 - 3 = 142. 1 × 106 ( N /m2)
Wg2 = π( 0. 5434 - 0. 5274)
赢咖7极悦32 × 0. 543 = 1. 77 × 10 - 3 ( m3)
Fg2 = M2Wg2= 352. 58 × 103
赢咖7极悦1. 77 × 10 - 3 = 199. 2 × 106 ( N /m2)
Wg3 = π( 0. 6424 - 0. 6264)
赢咖7极悦32 × 0. 642 = 2. 49 × 10 - 3 ( m3)
赢咖7极悦Fg3 = M3Wg3= 558. 78 × 103
2. 49 × 10 - 3 = 224. 4 × 106 ( N /m2)Wg3 = π( 0. 7454 - 0. 7254)32 × 0. 745 = 4. 19 × 10 - 3 ( m3)
Fg4 = M4Wg4= 999. 3 × 103
4. 19 × 10 - 3 = 238. 5 × 106 ( N /m2)查 《机械设计手册》得知 Q345 钢材的抗弯屈
服强度值 Fg 为 345MP ( 即 345 × 106N /m2) [4]。
将灯杆各段根部应力与 Q345 材质的屈服强度做对比,各段根部处的应力强度均小于材质的屈服强度,即: Fg1 < Fg ; Fg2 < Fg ; Fg3 < Fg ; Fg4 < Fg。因此,高杆灯的强度符合要求。
3 结束语。
由于高杆照明设施使用的范围和地点的特殊性,因此,高杆灯杆的安全性要求特别高。在计算高杆灯强度时,由于风载荷是最大的影响因素,因此,对高杆灯进行风载荷的计算和校核至关重要。
参 考 文 献
[1] 中华人民共和国建设 部. 高耸结构设计规范 GBJ135—90. 北京: 中国建筑工业出版社,1991.
[2] 建筑结构荷载规范 GBJ 9—87. 北京: 中华人民共和国城乡建设环境保护部,1988.
[3] 高杆灯的钢支杆结构设计. 北京: 北京市政设计研究院,1998.
赢咖7极悦[4] 成大先. 机械设计手册. 第 3 版 第 1 卷. 北京: 化学工业出版社,2011.
上一条: 港口高杆灯照明技术及应用


苏公网安备32108402000666号 